7. Control of Induction Machine
1. Review on 4 Parameter Model of Induction Machine
Given the dynamic equations of the Induction Machine:
From the above equations, \(\bar i_r = \frac{\bar \psi_r}{M} - \bar i_s\), we can substitute it into other equations:
From these 2 equations, we can get:
The final equation are:
We can draw the phasor plot:
Where,
- \(\bar \psi_r = \psi_{rd} + j\psi_{rq}\)
- \(\psi_{rd} = \psi_r\), \(\psi_{rq} = 0\)
For the complex form, there have:
It's possible to control the flux just controlling the input current \(i_{sd}\).
The torque generated by the flux is:
The voltage can be represented in d-q axis:
From the equations of \(v_{sd}\) and \(v_{sq}\), we can draw the system schematics of the induction machine:
2. Controller Design for Induction Machine
For the induction machine system, we can design a control system like a DC machine:
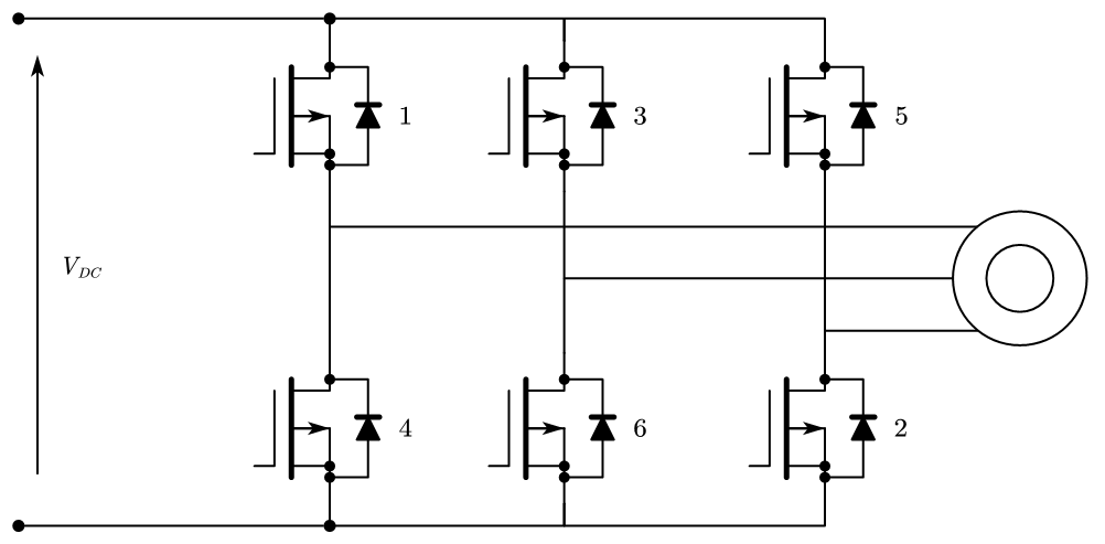
2.1 6-steps Voltage Inverter
To generate the desired voltage, we use the voltage source inverter,
- The numbers of the MOSFET represents for the opening sequence of the 6-step control.
By operating the MOSFETs in a particular sequence, the ground reference voltage \(V_{AG}\), \(V_{BG}\) and \(V_{CG}\) will have the following shape:
And because there have:
- \(V_{AN} + V_{BN} + V_{CN} = 0\)
- \(V_{AN} = V_{AG} - V_{NG}\)
- \(V_{BN} = V_{BG} - V_{NG}\)
- \(V_{CN} = V_{CG} - V_{NG}\)
The measured \(V_{AG}\), \(V_{BG}\), \(V_{CG}\) and \(V_{NG}\) have the following shape.
And this technique is called 6-step modulation.
To get the measured dq axis voltage and current, we need to measure the 3 phase voltage and current and apply the clarke transform,
We can express this in matrix form:
And for park transform, we have:
To perform the inverse transform, we use the inverse matrix to do so.
3. SPWM
To generate the sinusoidal wave, we compare the sinusoidal wave with the triangular wave using the comparator, and the output is SPWM wave:
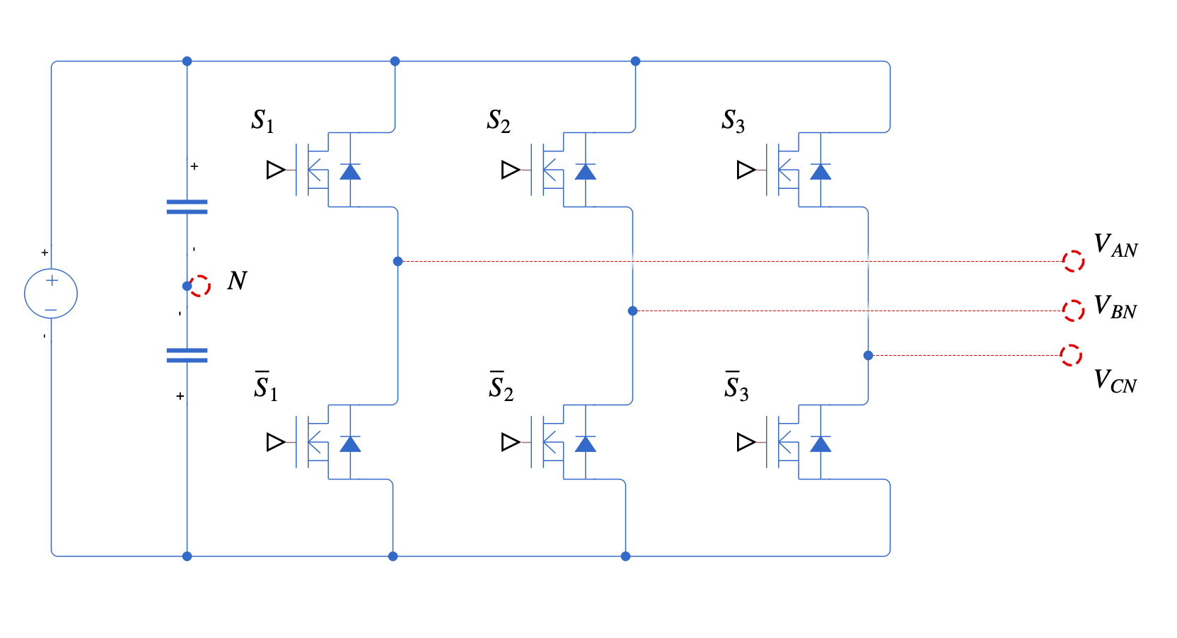
4. SVPWM
Another modulation method is space vector modulation, it base on the real inverter design only have 6 different steps, we have 6 MOSFET, and we control it in 3 control signals: \(S_1\), \(S_2\) and \(S_3\), which was shown in the figure:
The switch state have the following relationship to the space vector:
5. Estimator Design
Since we cannot measure the flux in the airgap, and the stator angle, we need to design an estimator to get \(\psi_r\) and \(\theta_s\),
There have 2 main estimators for induction machine \(I\)-\(\Omega\) and \(V\)-\(I\) estimators.
-
For the \(I\)-\(\Omega\) estimator,
we measured 3 phase current and transformed them into \(i_{sd}\) and \(i_{sq}\).
From the equation \(p\psi_r = R_r i_{sd} - \frac{R_r}{M}\psi_r\), we get \(\psi_r\). And from equation:
\[ \begin{aligned} 0 &= R_r i_{sq} - (\dot \theta_s - \dot \theta_m)\psi_r \\ \dot\theta_s &= \frac{R_ri_{sq}}{\psi_r} + \dot \theta_m \end{aligned} \]We can calculate the stator speed \(\dot \theta_s\) and integrating it, we can get \(\theta_s\), the whole estimator block have the schematic:
-
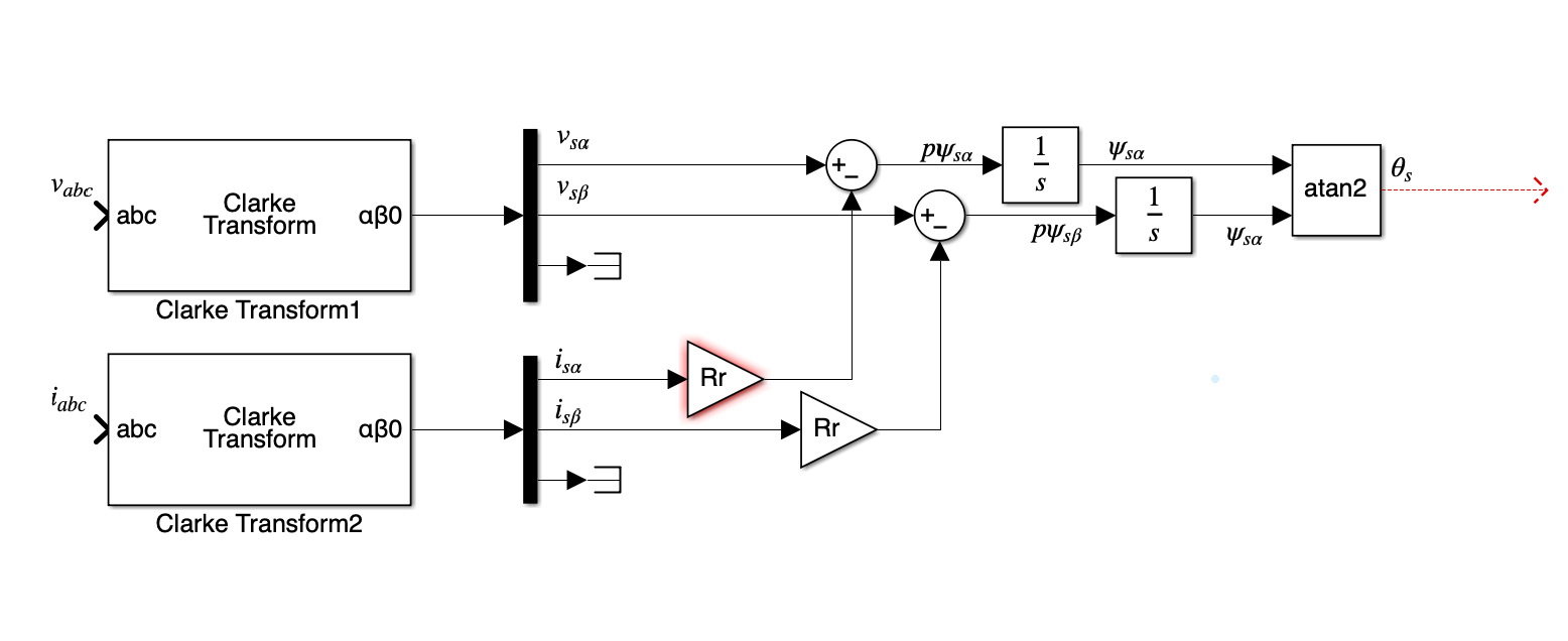
\(V\)-\(I\) estimator:
\[ \begin{aligned} v_{s\alpha} &= R_s i_{s\alpha} + p\psi_\alpha \\ v_{s\beta} &= R_s i_{s\beta} + p\psi_\beta \end{aligned} \]And we know:
\[ \theta_s = atan(\frac{\psi_{s\beta}}{\psi_{s\alpha}}) \]Where:
\[ \begin{aligned} \bar\psi_{s} &= \bar\psi_r+L_{ks}\bar i_s \\ \bar\psi_{\alpha\beta} &= \bar\psi_{s\alpha\beta}+L_{k}\bar i_{s\alpha\beta} \end{aligned} \]
6. Scalar Control (V/F Control)
We start from the voltage equation:
7. DSC/DTC
Bug
missing figure
7.1 Direct Self Control
- Fix reference frame
It is impossible to follow the circle strictly, we can define the upper boundary and lower boundary to make flux move between 2 circles.

