Skip to content

10. Sensitivity Functions

1. Control Synthesis Methods

Given the nonlinear model of the system,

\[ \left\{\begin{aligned} \dot x(t) &= f(x(t), u(t), d(t)) \\ y(t) &= g(x(t), u(t), d(t)) \end{aligned}\right. \]

Let \(\bar y^\circ\) to be the desired value for set-point. consider a equilibrium pair \((\bar x, \bar u)\), have the equilibrium point of \(f(x(t), u(t), d(t)) = 0\), \(g(x(t), u(t), d(t)) =\bar y^\circ\), we can calculate the linearized model:

\[ \left\{\begin{aligned} \delta \dot x(t) &= A \delta x(t) + B_u \delta u(t) + B_d \delta d(t)\\ \delta y(t) &= C\delta x(t) + D_u \delta u(t) + D_d \delta d(t) \end{aligned}\right. \]

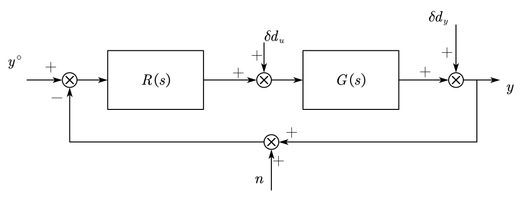
Where \(\delta d = d - \bar d\), \(\delta u = u - \bar u\), \(\delta x = x - \bar x\). Draw the schematics of the system:

To figure out the plant in the figure, we can express our state space function in matrix form:

\[ \begin{aligned} &\left\{\begin{aligned} \delta \dot x(t) &= A \delta x(t) + B_u \delta u(t) + \begin{bmatrix} B_u & B_d \end{bmatrix} \begin{bmatrix} \delta d_u(t) \\ \delta d_y(t) \end{bmatrix}\\ \delta y(t) &= C\delta x(t) + D_u \delta u(t) + \begin{bmatrix} D_u & D_d \end{bmatrix} \begin{bmatrix} \delta d_u(t) \\ \delta d_y(t) \end{bmatrix} \end{aligned}\right. \\ \hfill \\ \Rightarrow & \delta Y(s) = G(s)(\delta U(s) + \delta D_u(s)) + H(s)\delta D_y(s) \end{aligned} \]

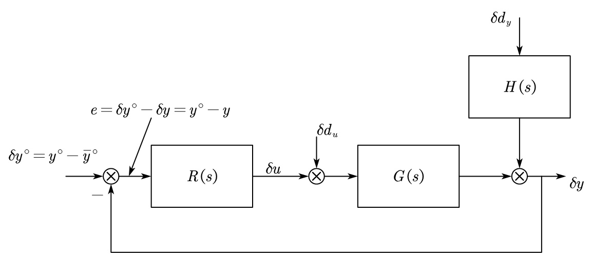
The system schematic becomes:

Our target is to design a regulator \(R(s)\) to control the input \(\delta u\) within \(\delta y\) is affected by the load disturbance \(\delta d_u\) and process disturbance \(\delta d_y\), and guarantee the stability and performance of the system.

This design methods has some drawbacks:

  1. The linearized model is a local property
  2. The control scheme depends on \(\bar y^\circ\) and \(\bar d\), if the value changes, the operating condition changes.

To the robust control design methodology, we need to implement the controller without \(\bar u\) and \(\bar y = \bar y^\circ\).

2. Sensitivity Functions

We further improving our system schematics, given:

For this schematic, we have the system equation:

\[ \begin{aligned} Y(s) &= T(s)(Y^\circ(s) - N(s)) + S(s)D_y(s) + S(s)G(s)D_u(s) \\ U(s) &= K(s)(Y^\circ(s) - N(s) - D_y(s)) + S(s)D_u(s) \end{aligned} \]

Let \(L(s) = R(s)G(s)\), we have:

Description Formulation
Sensitivity function \(S(s) = \frac{1}{1+L(s)}\)
Complementary sensitivity function \(T(s) = \frac{L(s)}{1+L(s)}\)
Control sensitivity function \(K(s) = \frac{R(s)}{1+L(s)} = R(s)S(s)\)

By looking at the poles of \(S(s)\), \(T(s)\), \(K(s)\), and \(G(s)S(s)\), we can check the stability of the system.

2.1 Stability Analysis Using Nyquist Criterion

Assume that there have no cancellations in \(L(s)\) between singularities with null or positive real part.

The N&S condition for the system to be A.S. is:

  • The Nyquist diagram of \(L(s)\) encircled point \(-1+j0\) by \(n\) times. \(n\) is the number of positive real part poles of \(L(s)\).

2.2 Bode Criterion

Assume that there have no cancellations in \(L(s)\) between singularities with null or positive real part. If:

  • \(L(s)\) has no positive real part poles
  • Exists a unique gain crossover frequency \(\omega_c\) (such that \(|L(j\omega_c)| = 1\))

The N&S condition for the system to be A.S. is:

  • the static gain \(\mu_L\) of \(L(s)\) is positive, and
  • the phase margin \(\varphi_m = \pi - |\angle L(j\omega_c)|\) is positive

2.3 Stability Margin

The system is A.S. is not enough for the practical implementations, we need to do more for the robustness of the control system. The stability margin \(s_m\) is a natural index of robustness, which is the shortest distance of the Nyquist diagram to the critical point.

We can represent the gain margin \(k_m\) and phase margin \(\varphi_m\) in the Nyquist diagram,

3. Performance Evaluation within Sensitivity Functions

3.1 Complementary Sensitivity Approximations

The complementary sensitivity can be approximated in many cases:

\[ T(s) = \frac{\omega_n^2}{s^2 + 2\xi s + \omega_n^2} \]

Where \(\xi = \sin(\frac{\varphi_m}{2}) \simeq \frac{\varphi_m}{2}\), and \(\omega_n \simeq \omega_c\). The small value of \(varphi_m\) will leads to an oscillation in the transient, we can give the setting time \(T_a \simeq 5 \frac{1}{\xi \omega_c}\). To reduce the oscillation, we must choose a sufficiency high \(\varphi_m\).

3.2 Sensitivity Design

We recall the system function:

\[ \begin{aligned} Y(s) &= T(s)(Y^\circ(s) - N(s)) + S(s)D_y(s) + S(s)G(s)D_u(s) \\ U(s) &= K(s)(Y^\circ(s) - N(s) - D_y(s)) + S(s)D_u(s) \end{aligned} \]

And the sensitivity function is:

\[ |S(j\omega)| = \frac{1}{|1+L(j\omega)|} \simeq \left\{\begin{aligned} \frac{1}{|L(j\omega)|}&, & |L(j\omega)| \gg 1, \omega \ll \omega_c \\ 1&, & |L(j\omega)| \ll 1, \omega \gg \omega_c \end{aligned}\right. \]
  • When \(|S|\) is small (\(|L|\) is big), the spectrum \(d_y\) and \(d_u\) have a significant harmonic components (low frequency).

The complementary sensitivity function is:

\[ |T(j\omega)| = \frac{|L(j\omega)|}{|1+L(j\omega)|} \simeq \left\{\begin{aligned} 1&, & |L(j\omega)| \gg 1, \omega \ll \omega_c \\ \frac{1}{|L(j\omega)|}&, & |L(j\omega)| \ll 1, \omega \gg \omega_c \end{aligned}\right. \]
  • When \(|T| \simeq 1\) (\(|L|\) is big), the spectrum of the reference signal has significant harmonic components (low-medium frequency).
  • When \(|T|\) is small (\(|L|\) is small), the measurement noise \(n\) has significant harmonic components (high frequency).

3.3 L(s) Design

  • \(\omega_c \geq \bar \omega_c\) \(\Rightarrow\) increase speed of response, reduce low frequency disturbance \(d_y\)
  • \(\omega_c \leq \tilde \omega_c\) \(\Rightarrow\) limit control action, reduce measurement noise \(n\)
  • \(\varphi_m \geq \bar \varphi_m\) \(\Rightarrow\) increase stability, robustness, and limit the peaks of \(T(j\omega)\)
  • \(g_m \geq \bar g_m\) \(\Rightarrow\) increase robustness

3.4 Limitation on Performance

  • \(T(s) + S(s) = 1\)
  • There have constraints for the crossover frequency \(\omega_c\) when:
    • The system has delay, \(e^{-\tau s}G(s)\): the delay will contributes to a negative phase at \(\omega_c\), \(\varphi_{delay} = -\tau \omega_c\).
    • The system has positive real part zeros, \((1-\tau s)G(s)\), \(\tau > 0\): it will limits \(\omega_c\) smaller than \(\frac{1}{\tau}\), any \(\omega_c\) beyond this range will not have an acceptable \(\varphi_m\).

4. Formulating System Stability within Sensitivity Function

Given the infinity norm of the sensitivity functions:

\[ \begin{aligned} M_S &= ||S||_\infty = \sup_\omega |S(j\omega)| \\ M_T &= ||T||_\infty = \sup_\omega |T(j\omega)| \end{aligned} \]

The bode plot of these functions like below:

\(S\) behaves like a high pass filter, and \(T\) behaves like a low pass filter. \(M_S\), \(M_T\) is the peak of the bode plot.

4.1 Reformulating with stability margin

To reformulate the robustness, we look at the stability margin, given the Nyquist diagram:

From the diagram, we can know the stability margin is: \(\min_\omega |1 + L(j\omega)|\).

And we know that \(S(j\omega) = \frac{1}{1 + L(j\omega)}\), thus we have: \(|1 + L(j\omega)| = |S(j\omega)|^{-1}\), we want \(|1 + L(j\omega)|\) to be large, \(|S(j\omega)|^{-1}\) should be small. This could be expressed as:

\[ M_S \leq \bar M_S \]

where \(\bar M_S\) is the upper bound of the stability margin.

The pick the suitable \(|T(j\omega)|\) should be small, \(\Rightarrow\) \(M_T \leq \bar M_T\).

\(T(s)\) and \(S(s)\) are related, there have following relations:

\[ \begin{aligned} T(s) + S(s) &= 1 \\ |T(j\omega) + S(j\omega)| &= 1, \forall \omega \\ ||T(j\omega)| - |S(j\omega)|| &\leq |T(j\omega) + S(j\omega)| = 1, \forall \omega \end{aligned} \]

\(|M_T - M_S| \leq 1\). A typical choice is: \(\bar M_S = 2\), \(\bar M_T = 1.5\).

4.2 Rephrase to Gain Margin

We want to reformulate the system with gain margin, given:

\(g_m \geq \bar g_m\) \(\Rightarrow\) rephrase it in terms of \(S\) and \(T\).

\[ \begin{aligned} L(j\omega_\pi) &= -\frac{1}{g_m} \\ |T(j\omega_\pi)| &= \frac{L(j\omega_\pi)}{1+L(j\omega_\pi)} = -\frac{1}{g_m-1} \\ M_T &\geq |T(j\omega_\pi)| = \frac{1}{g_m-1} \\ g_m &\geq 1 + \frac{1}{M_T} \geq 1 + \frac{1}{\bar M_T} \geq \bar g_m \end{aligned} \]

and we can know that \(g_m \geq \bar g_m\), \(\Rightarrow\) \(M_T \leq \bar M_T\).

4.3 Rephrase to Phase Margin

For \(M_S\), we have:

\[ \begin{aligned} M_S &\geq |S(j\omega)| = \frac{1}{|1 - \frac{1}{g_m}|} = \frac{g_m}{g_m - 1} \\ g_m &\geq \frac{M_S}{M_S - 1} \geq \frac{\bar M_S}{\bar M_S - 1} \geq \bar g_m \end{aligned} \]

We want to rephrase the phase margin \(\varphi_m\), we have: \(\varphi_m \geq \bar \varphi_m\)

When \(\varphi_m\) is small, we have:

\[ \frac{1}{M_S} \leq |1+L(j\omega_c)| = 2\sin(\frac{\varphi_m}{2}) \simeq \varphi_m \]

From above equation, we can know: \(\varphi_m \geq \frac{1}{M_S}\),

And we look at the \(M_T\), at \(\omega_c\), we have \(L(j\omega_c) = 1\), thus:

\[ \begin{aligned} |1+L(j\omega_c)| = |S(j\omega_c)|^{-1} = &|T(j\omega_c)|^{-1} \\ &|T(j\omega_c)| = \frac{|L(j\omega_c)|}{|1+L(j\omega_c)|} = \frac{1}{|1+L(j\omega_c)|} \end{aligned} \]

We can get: \(\varphi_m \geq \frac{1}{M_S} = \frac{1}{M_T}\).

Comments