Skip to content

4. Control of DC Machine

4.1 System Model and Controller Schemes

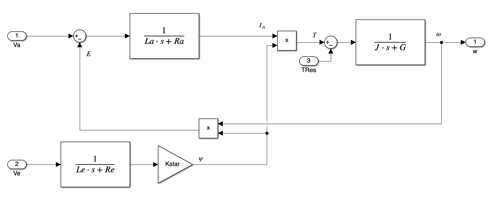
The transfer function model of DC electrical machine is:

For the motor that uses Permanent Magnet as its exciting source, the model becomes the figure below:

We can design a PI controller to control the input voltage of the system,

Since we don't know the EMF, we do the estimation for the approximate EMF,

\[ E_{est} = K \psi \omega \]

Moreover, we add speed controller to control the rotation speed of the DC machine,

To use the PI controller correctly, we need to consider the load of the machine, which gives \(\frac{1}{sJ + G}\)

4.2 Anti-windup Configuration

It should be mentioned that the input voltage should never exceed the maximum voltage provided by the source. To avoid this problem, we can apply the anti-windup configuration for the PI controller.

We can calculate the system configuration:

  • When the system not exceeds the limit of the saturation, the saturation part could be treated as 1, thus, the close loop transfer function of the system is:

    \[ \begin{aligned} H(s) &= K_p\cdot \frac{1}{1 - \frac{1}{\frac{K_p}{K_i}s + 1}} \\ &= K_p + K_i \frac{1}{s} \end{aligned} \]

    This system has no difference with a normal PI controller

4.3 Operation Region

For a DC motor, the operating region have the following figure below:

Comments