Skip to content

3. Basics of Power Converter

A power converter is a module that accepts the voltage inputs and output a controllable voltage to control the loads.

3.1 DC-DC Buck Converter

3.1.1 Diodes

Diodes is used for cut off the voltage under 0, for the circuit below:

We can give the source voltage and load voltage comparison:

3.1.2 Inductor

No we introduce the inductor,

The voltage changes,

3.1.3 Full Bridge

If we add more diode to convert the negative part voltage to positive one, we called this device full bridge.

The voltage passed full bridge would become:

3.1.4 3-Phase Bridge

If the voltage input is 3-phase voltage instead, we can use 3-phase bridge to convert all of them to positive part.

And the voltage becomes:

3.1.5 Capacitor

For convenient, we keep using single phase to analyze the circuit, and now we add inductor and capacitor together,

And the voltage we get likes:

3.1.6 Large Inductance With Initial Current:

If the inductance becomes very large (\(L \to \infty\)), and exists the initial current, it behaves like a current source. Connect the circuit like the below:

Within the initial current set to \(0.5A\), the voltage and current have the figure below:

3.1.7 Capacitor With Initial Voltage

If capacitor have the initial voltage, it will cause a high current which may break the device, connect the circuit like below:

The curve of the device would be:

We can find that the current pass though capacitor experienced a huge current in a short time, to solve this problem, one possible way is to connect a large resistor in serial with the capacitor. To improve the energy efficiency, we can add more components like switching device to adjust the time to connect in the resistor, we called this a brake.

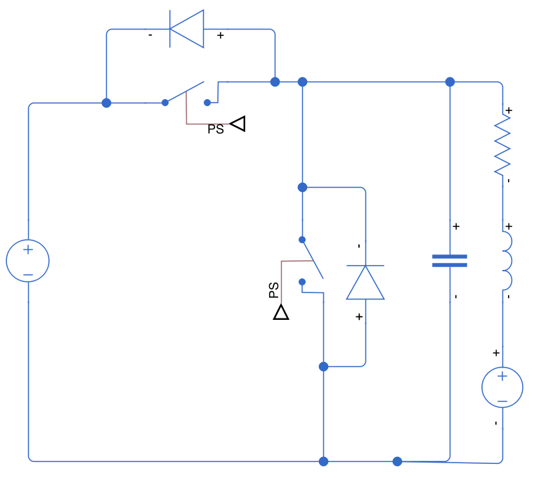
3.1.8 Buck Converter

A buck converter have the simplified diagram below:

We also called it step-down converter, and in buck converter, \(V_{out} < V_{in}\) always.

And for the converter which \(V_{out} > V_{in}\), we called it boost converter.

3.2 Boost Converter

The boost converter is ued to step-up the voltage

3.3 Buck-boost Converter

When 2 switch with diode connected together, it could be called an arm or a leg, this structure could realize the stepping down or stepping up the voltage, it could be called buck-boost converter.

It should be mentioned that the 2 switch cannot close at the same time, otherwise it will cause a short circuit.

3.4 Full Bridge Converter

The full bridge contains 2 arms, within the load connected the middle part together:

The output voltage of full bridge converter is:

\[ V_{mean} = \frac{V_{DC}T_{ON} - V_{DC}T_{OFF}}{T_{ON}+T_{OFF}} \]

The voltage on the figure is called bi-polar PWM.

Comments