Skip to content

5. Phase Vector

1. Review on DC Machine

The dynamics of DC Machines:

\[ \left\{\begin{aligned} &V_a = R_a i_a + L_a \frac{d i_a}{dt} + e \\ &V_e = R_e i_e + L_e \frac{d i_e}{dt} \\ &e = K \psi_e \omega \\ &T = K \psi_e i_a \\ &T - T_\delta = J \frac{d \omega}{dt} (+ G \omega) \\ &\psi_e = L_e i_e \end{aligned}\right. \]

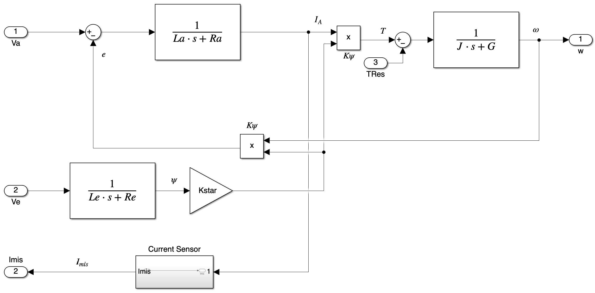
The system model for the DC machine is:

Give the PI controller design for DC machine:

Warning

  • Commonly we don't use the encoder to measure the speed because installing the speed sensor to the rotor part will lead to a vibration to the rotor. In this case, we need to improve our controller design without the speed sensor.
  • Between the controller and electrical machine there have the power converter, but we often ignore it because compared with the control loop, the power converter module have a fast response.
  • The system is not feasible when \(\frac{1}{R_a + s L_a} = \frac{1}{sJ + G}\)

If the DC machine is separately excited, then the controller for the exciting loop should be:

2. Magnetic Field of the Isotropic Machines

2.1 Machines that have Concentrated Windings

First we look at the isotropic rotor electrical machine with concentrated winding, which have a constant airgap around the machine:

For the concentrated windings, we only have one magnetomotive force (MMF) source \(\mathcal F\) around the machine, where

\[ \mathcal F = N_{turns}i \]

When it is supplied by a constant current source, the MMF is a constant. It only changes the direction when the axis rotates to the opposite direction of magnetic field. So we can give the following relationship with respect to the axis angle:

2.2 Machines that have Distributed Windings

For the distributed windings electrical machine with the following diagram:

Because the distributed winding allocation, the MMF of the circuit is the summation of each winding, so the MMF distribution gives a sinusoidal like wave form:

2.3 Flux Density Calculation for Concentrated Windings

Because of the isotropic rotor structure, the airgap is constant in all angle, so the reluctance of airgap \(\mathcal R_g\) is also a constant. Thus we can draw the magnetic circuit of the electrical machine:

The flux density have the following relationship with MMF:

\[ \begin{aligned} \phi &= \frac{\mathcal F}{\mathcal R_{tot}} = BS \end{aligned} \]
  • \(S\) is the cross sectional area of the magnetic circuit path

From the equation of reluctance, \(\mathcal R = \frac{l}{\mu S}\),

\[ B = \frac{\mu \mathcal F}{l} \]
  • \(l\) is the length of the magnetic field path

Because the stator and rotor material have a very large permeability, we can know that \(\mathcal R_g \gg \mathcal R_{s, r}\), thus we have \(\mathcal R_{tot} \simeq 2 \mathcal R_g\), the airgap length \(l_g\) is the same for all \(\theta\), the flux density \(B\) and MMF \(\mathcal F\) has a linear relationship, \(B\) and \(\mathcal F\) have the same shape with respect to \(\theta\).

In reality, we ignore the higher harmonics of the waveform, and only look at the first harmonic (sinusoidal wave), by using the Fourier Transform (FT), we can get:

\[ \mathcal F(\theta) = \frac{4}{\pi} Ni \cos \theta \]

Given the airgap length \(l_g = \delta\), we can calculate the flux density:

\[ \begin{aligned} B(\theta) &= \frac{\mathcal F(\theta)}{\mathcal R_{tot} S} \\ &= \underbrace{\frac{4}{\pi}\frac{\mu_0 Ni}{2\delta}}_{B_m} \cos \theta \end{aligned} \]

And we can draw \(B(\theta)\) in the polar plot to see the flux density distribution:

3. Phase Vector and Distributed Windings

Now we look at the distributed windings, assume there have one other winding have different angles with the primary winding, the angle between the two windings are \(\alpha\),

We can represent the flux density:

\[ \begin{aligned} B_a(\theta) &= B_m \cos \theta = \Re(B_me^{-j\theta}) \\ B_b(\theta) &= B_m \cos (\theta - \alpha) = \Re(B_me^{-j(\theta - \alpha)}) \end{aligned} \]

And for the winding \(B\), there have:

\[ B_b(\theta) = \Re(B_me^{-j(\theta - \alpha)}) = \Re(\underbrace{B_me^{j\alpha}}_{\bar B_b}e^{-j\theta}) \]

If we let \(\theta = 0\), thus, we have:

\[ \begin{aligned} B_a(0) &= B_m \\ B_b(0) &= \bar B_b \end{aligned} \]

3.1 3 Phase Electrical Machine

For the 3 phase electrical machine, we have:

Each phase has \(120^\circ\) angle difference, For a constant input current \(I_a = I_b = I_c\), we have:

\[ \begin{aligned} B(\theta) &= \Re(\bar B_a e^{-j\theta}) + \Re(\bar B_b e^{-j\theta}) + \Re(\bar B_c e^{-j\theta}) \\ &= \Re((\bar B_a + \bar B_b + \bar B_c)e^{-j\theta}) \end{aligned} \]

It is easy to find that within \(120^\circ\) angle difference in electrical machine for each winding, there have,

\[ \bar B_a + \bar B_b + \bar B_c = B_me^{j0} + B_me^{j(\frac23\pi)} + B_me^{j(-\frac23\pi)} = 0 \]

We can also draw this in the polar plot to have a better understanding of the flux distribution:

If the input is a 3 phase current which gives:

\[ \begin{aligned} i_a &= I_m \cos(\omega t) \\ i_b &= I_m \cos(\omega t + \frac23 \pi) \\ i_c &= I_m \cos(\omega t - \frac23 \pi) \end{aligned} \]

The flux density in the electrical machine is:

\[ \begin{aligned} \bar B_a &= \frac{4}{\pi}\frac{\mu_0 NI_m \cos(\omega t)}{2\delta} e^{j0} \\ &= \underbrace{\frac{4}{\pi}\frac{\mu_0 NI_m}{2\delta}}_{K} \cos(\omega t) \\ &= K \Re(e^{-j\omega t}) \end{aligned} \]

Similarly, we can do this for other 2 phase windings, we have:

\[ \begin{aligned} \bar B_a & = K \Re(e^{-j\omega t})e^{j0} \\ \bar B_b & = K \Re(e^{-j\omega t}e^{j(-\frac23\pi)})e^{j\frac23\pi} \\ \bar B_c & = K \Re(e^{-j\omega t}e^{j\frac23\pi})e^{j(-\frac23\pi)} \end{aligned} \]

Finally, we can get the summation of flux density, it rotates with respect to time:

\[ \begin{aligned} B(\theta, t) &= K\Re(( \Re(e^{-j\omega t})e^{j0} + \Re(e^{-j\omega t}e^{j(-\frac23\pi)})e^{j\frac23\pi} + \Re(e^{-j\omega t}e^{j\frac23\pi})e^{j(-\frac23\pi)})e^{-j\theta}) \\ &= K\Re((\frac{e^{-j\omega t}+e^{j\omega t}}{2} + \frac{e^{-j\omega t}e^{j(-\frac23\pi)}+e^{j\omega t}e^{j(\frac23\pi)}}{2}e^{j\frac23\pi} + \frac{e^{-j\omega t}e^{j(\frac23\pi)}+e^{j\omega t}e^{-j(\frac23\pi)}}{2}e^{-j\frac23\pi})e^{-j\theta}) \\ &= \frac32K\Re(e^{-j\omega t}e^{-j\theta}) \end{aligned} \]

And we can draw the figure for this calculation:

Comments