Skip to content

2. Dynamics of DC Machine

1. EMF

We know that from Faraday's Law, we have:

\[ e = -BS\omega \sin(\omega t) \]

This is an sinusoidal wave within the part \(e < 0\), to have a DC voltage, we need to make EMF positive. We can use a brush to realize this, it will change the direction for the rotors in every \(180^\circ\). And we have:

\[ e = \left\{\begin{aligned} &-BS\omega \sin(\omega t), &0 < \omega t - 2n \pi \leq \pi \\ &BS\omega \sin(\omega t), &\pi < \omega t - 2n \pi \leq 2\pi \end{aligned}\right. \]

And this can be further derived into: \(e = |-BS\omega \sin(\omega t)|\). We can draw the figure of EMF:

If we add one more winding, each winding have \(90^\circ\) angles that crossover each other, and the EMF is:

\[ e = |-BS\omega \sin(\omega t)| + |BS\omega \sin(\omega t + \frac{\pi}{2})| \]

We can draw the figure:

2. Machine Structure

The DC machine have the structure:

The flux and EMF passing through the rotor have the following relationship with the angle of the rotor:

To calculate the EMF,

\[ d\psi = \vec B N_{coil} l dx \]
  • \(l\) is the length of the armature
  • \(N_{coil}\) is the number of the coils
  • \(dx = Rd\theta\), \(R\) is the radius of the armature
\[ e = N_{coil} e_{coil} = N_{coil} \frac{d\phi}{dt} = N_{coil} \vec B N_{turns} R l \frac{d\theta}{dt} \]
  • \(N_{turns}\) is the number of turns in each coil

We can get the final equation of the EMF:

\[ e = N_{coils} \underbrace{N_{turns} \vec B R l}_{\psi_{ae}} \omega = \underbrace{K \psi_{ae}}_{K_e} \omega \]
  • \(\omega\) is the angular speed of the rotor
  • \(\psi_{ae}\) is the flux between the rotor and stator
  • \(K_{e}\) is a constant of the DC machine

3. Equivalent Circuit of DC Machine

We first assume an ideal DC Machine, which only have the EMF, the equivalent circuit of this machine is:

And we know that windings have the resistance and inductance, we can add these components into the circuit:

And this is the simplified circuit for DC machine armature windings.

4. Mechanical Characteristics of DC Machine

We look at the armature structures:

We can find that the current have opposite directions, if we short circuit the armature windings, we will get \(\sum e = 0\). By using the Lorentz Law, we can define the force generated by the DC machine,

The torque and the force have the following relationships:

\[ T = 2FR \]

This converts the electrical power into mechanical power,

  • Electrical Power: \(P_{elec} = vi\)
  • Mechanical Power: \(P_{mech} = T \omega = F v = \frac{W_m}{t}\)

If there have no power loss between electrical and mechanical conversion, there have:

\[ \begin{aligned} vi &= T\omega \\ ei &= T\omega \\ K\psi \omega i &= T\omega \\ K\psi i &= T \end{aligned} \]

And from the same equation, we can also get \(e = K\psi \omega\).

Now considering other components in the electric circuits,

  • \(P_{R} = i^2R\), \(R = \frac{\rho l}{A}\)
  • \(W_L = \frac12 Li^2\), \(L = \frac{N^2}{\Theta}\), where \(\Theta = \frac{l}{\mu A}\)

And the time constant is: \(\tau = \frac{L}{R}\).

The voltage of the armature winding is:

\[ v_a = R_a i_a + L_a \frac{di_a}{dt} + e \]

And we look at the stator part, we can also use a circuit to generate the magnetic fields,

Thus we have,

\[ v_e = R_e i_e + L_e \frac{di_e}{dt} \]
  • \(L_e = \frac{\psi_e}{i_e}\)

5. Dynamic Equations of DC Machine

The dynamic equations of DC machine are:

\[ \left\{\begin{aligned} &v_a = R_a i_a + L_a \frac{di_a}{dt} + e \\ &v_e = R_e i_e + L_e \frac{di_e}{dt} \\ &e = k \psi \omega\\ &T = k \psi i_a \end{aligned}\right. \]

And \(L_e >> L_a\) because the flux pass through more path on the iron, and the permeability of iron is much larger than the air.

For the mechanical part:

\[ T - T_{RES} = J \frac{d\omega}{dt} (+ G\omega) \]
  • \(T_{RES}\) is the external torque
  • \(T\) is the torque generated by the electrical machine
  • \(J\) is the moment of inertia
  • \(G\) is the damping effect coefficient

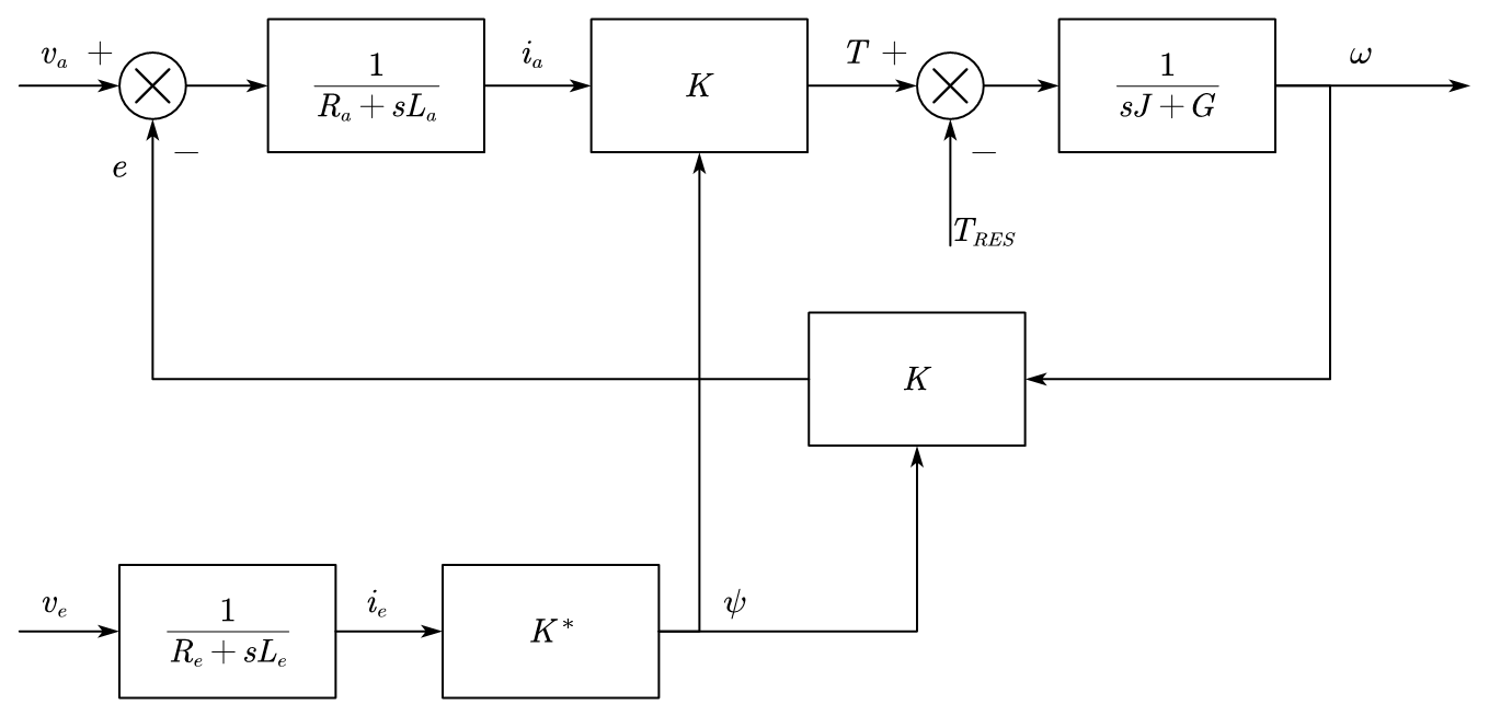
6. Transfer Function Model

Within the dynamic equations, we can write them into transfer function,

\[ \left\{\begin{aligned} &v_a = R_a i_a + L_a si_a + e \\ &v_e = R_e i_e + L_e si_e \\ &e = k \psi \omega\\ &T = k \psi i_a \\ &T - T_{RES} = (J s + G)\omega \end{aligned}\right. \]

7. System Schematics of the DC Machine

By obtaining the TF of the system, the schematics can be given:

And for the DC machine that using the excitation circuit, the schematics is:

Comments