Skip to content

14. Observer Design

1. State Observer (Luenburger Observer (LO) )

1.1 Nominal LO Design

Given a linear system,

\[ \begin{aligned} \dot x(t) &= Ax(t) + Bu(t) \\ y(t) &= Cx(t) + Du(t) \end{aligned} \]

Since states cannot be measured directly, we can design a state observer to get the unknown states,

\[ \dot {\hat x} = A\hat x + Bu + L\underbrace{(y-C\hat x -Du)}_{\text{output estimation error}} \]
  • \(\hat x\) is the state estimation

Given the state estimation error \(e = x - \hat x\), there have:

\[ \begin{aligned} \dot e &= \dot x - \dot{\hat x} \\ &= Ax + Bu - A \hat x - Bu - L(Cx+Du-C\hat x -Du) \\ &= (A-LC)e \end{aligned} \]

The eigenvalue for \((A-LC)\) have:

\[ \text{eig}(A-LC) = \text{eig}(A-LC)^T = \text{eig}(A^T-C^TL^T) \]

we can let:

  • \(\tilde A = A^T\)
  • \(\tilde B = C^T\)
  • \(\tilde K = L^T\)

thus we have: \(A^T-C^TL^T = \tilde A - \tilde B \tilde K\), Given the observable matrix:

\[ \begin{aligned} &M_O = \begin{bmatrix} C \\ CA \\ \vdots \\ CA^{n-1}\end{bmatrix} \Rightarrow M_O^T = \begin{bmatrix} \tilde B & \tilde A \tilde B & \cdots & \tilde A^{n-1} \tilde B\end{bmatrix} \end{aligned} \]

A N&S condition for the design of an asymptotic observer with arbitrarily specified eigenvalue of the estimation error dynamics is that \((A,C)\) is observable.

Given a system \(p = 1\), we can apply Ackermann's formula,

\[ L^T = \begin{bmatrix} 0&\cdots&0&1\end{bmatrix}(M_O^T)^{-1} p^*(A^T) \]

When the system with \(p > 1\), \(C = \begin{bmatrix} C_1 \\ \vdots \\ C_p \end{bmatrix}\)

If \((A,C)\) is observable, \(\Rightarrow\) \(\exists i\), such that \((A, C_i)\) that is observable. We can apply Ackermann's formula on \((A,C_i)\):

\[ \begin{aligned} L &= \begin{bmatrix} L_1&\cdots&L_p\end{bmatrix} \\ &= \begin{bmatrix} 0&\cdots&0&L_i&0&\cdots&0\end{bmatrix} \end{aligned} \]

1.2 LO for the System With Disturbances

Given the linear system with disturbances,

\[ \begin{aligned} &\dot x = Ax + Bu + Md, &x\in\Re^n, u\in\Re^m\\ &y = Cx + Du + Nd, &y\in\Re^p, d\in\Re^r \end{aligned} \]
  • If \(d\) is measurable, we can calculate the estimation error directly:

    \[ \dot{\hat x} = A \dot{\hat x} + Bu + Md + L(y - C\hat x - Du - Nd) \]

    We let \(e=x - \hat x\), thus we have:\(\dot e=(A-LC)e\)

  • If \(d\) is not measurable:

    \[ \begin{aligned} \dot{\hat x} &= A \dot{\hat x} + Bu + L(y - C\hat x - Du) \\ e &= x - \hat x \\ \dot e &= (A-LC) e + (M-LN) d \end{aligned} \]

    If \(d(t) = \bar d\), \(\forall t \geq 0\),

    \[ e_\infty = -(A-LC)^{-1} (M-LN) \bar d \]

We can draw the system schematic:

1.3 Estimation of Constant Disturbances via Observer Design

Motivations:

  1. You can estimate the state correctly
  2. You can use the disturbances estimation for the disturbance compensation

Consider a system with disturbance:

To eliminate the disturbance, we can design a disturbance estimator:

If the disturbance is constant, \(d(t) = \bar d\), \(\forall t\),

\[ \begin{aligned} &\dot x = Ax + Bu + Md, &x\in\Re^n, u\in\Re^m\\ &y = Cx + Du + Nd, &y\in\Re^p, d\in\Re^r \end{aligned} \]

Since \(d\) is constant, \(\dot d = 0\), and we have:

\[ \begin{aligned} \begin{bmatrix} \dot x \\ \dot d \end{bmatrix} &= \underbrace{\begin{bmatrix} A&M \\ 0&0 \end{bmatrix}}_{\tilde A} \begin{bmatrix} x \\ d \end{bmatrix} + \underbrace{\begin{bmatrix} B \\ 0 \end{bmatrix}}_{\tilde B} u \\ y &= \underbrace{\begin{bmatrix} C&N \end{bmatrix}}_{\tilde C} \begin{bmatrix} x \\ d \end{bmatrix} + \underbrace{D}_{\tilde D} u \end{aligned} \]

The condition should be satisfied for designing the observer:

  • \((\tilde A, \tilde C)\) must be observable \(\Leftrightarrow\) \((A,C)\) is observable

  • \(\text{rank}\begin{bmatrix} A&M \\ 0&0 \end{bmatrix} = n+r \left\{\begin{aligned} &r \leq p \quad \text{more output than disturbances} \\ &\text{No invariant zero in 0 in the transfer matrix for } d \text{ to } y \end{aligned}\right.\)


What are the close loop eigenvalues?

We assume the order of the system is \(n\),

\[ \begin{aligned} \text{system:}&\quad \left\{\begin{aligned} &\dot x = Ax + Bu \\ &y = Cx + Du \end{aligned}\right. \\ \text{control law:}&\quad u = -K\hat x + \gamma \\ \text{observer:}&\quad \dot{\hat x} = A \hat x + Bu + L(y-C\hat x -Du) \end{aligned} \]

Apply the controller and observer to the system:

\[ \begin{aligned} \dot x &= Ax - BK \hat x + B\gamma \\ \dot {\hat x} &= A\hat x -BK\hat x + B \gamma + L(y-C\hat x) \end{aligned} \\ \]

Since we have: \(e = x - \hat x\),

\[ \left\{\begin{aligned} \dot x &= (A-BK)x + BKe + B\gamma \\ \dot e &= (A-LC)e \end{aligned}\right. \]

1.4 Separation Principle

We can let:

\[ \tilde A = \begin{bmatrix} A-BK&BK \\ 0&A-LC \end{bmatrix} \]

The eigenvalue of \(\tilde A\) are the union of the eigenvalue of \(A-BK\) and \(A-LC\), it means that we can design controller and observer independently.

2. Stabilizing Regulator Transfer Matrix

We replaced observer with the transfer matrix \(R(s)\),

to find the expression of \(R(s)\),

\[ \begin{aligned} \text{control law: }& \quad u = -K\hat x \\ \text{observer: }& \quad \dot{\hat x} = A \hat x + Bu + L(y-C\hat x) \end{aligned} \]

We have:

\[ \begin{aligned} \dot{\hat x} &= \overbrace{(A-BK-LC)}^{\tilde A} \hat x + \overbrace{L}^{\tilde B}y \\ u &= \underbrace{-K}_{\tilde C}\hat x \end{aligned} \]

The transfer matrix is:

\[ R(s) = K(sI - (A-BK-LC))^{-1}L \]

3. Reduced Order Observer (RO)

For the linear system with the state space equation below:

\[ \left\{\begin{aligned} \dot x &= Ax + Bu \\ y &= Cx \end{aligned}\right. \]

We can transfer the system into canonical form,

\[ \begin{aligned} \tilde x &= Tx \\ \tilde A &= TAT^{-1} \\ \tilde B &= TB \\ \tilde C &= CT^{-1} = \begin{bmatrix} \mathbf I&\mathbf 0 \end{bmatrix} \end{aligned} \]
  • \(T = \begin{bmatrix} C \\ T_1 \end{bmatrix}\), \(\det T \neq 0\)
  • \((A,C)\) should be observable

We have the output part \(y\) and other unknown states \(x_v\), \(\tilde x = \begin{bmatrix} y \\ \tilde x_v \end{bmatrix}\), thus:

\[ \begin{aligned} \dot y &= \tilde A_{11}y + \tilde A_{12} \tilde x_v + \tilde B_1 u \\ \dot {\tilde x}_v &= \tilde A_{21}y + \tilde A_{22}\tilde x_v + \tilde B_2 u \end{aligned} \]

We can let:

  • \(z = \dot y - \tilde A_{11}y - \tilde B_1 u = \tilde A_{12} \tilde x_v\)
  • \(\eta = \tilde A_{21}y + \tilde B_2 u\)

and we can simplify the system:

\[ \left\{\begin{aligned} &\dot {\tilde x}_v = \tilde A_{22}\tilde x_v + \eta \\ &z = \tilde A_{12} \tilde x_v \end{aligned}\right. \]

Now this new system have \(n-p\) states,

\[ \begin{aligned} \dot{\hat{\tilde x}}_v &= \tilde A_{22} \hat{\tilde x}_v + \eta + L(z-\tilde A_{12}\hat{\tilde x}_v) \\ \dot{\tilde e}_v &= (\tilde A_{22} - L\tilde A_{12})\tilde e \end{aligned} \]
  • \((\tilde A_{22}, \tilde A_{12})\) must be observable

For this system, we can apply the observer design:

\[ \begin{aligned} \dot{\hat{\tilde x}}_v &= \tilde A_{22} \hat{\tilde x}_v + \tilde A_{21}y + \tilde B_2 u + L(\dot y - \tilde A_{11}y - \tilde B_1 u-\tilde A_{12}\hat{\tilde x}_v) \\ \end{aligned} \]

Let \(w = \tilde x_v - Ly\),

\[ \begin{aligned} \dot w &= (\tilde A_{22} - L\tilde A_{12})w + (\tilde A_{21} - L\tilde A_{11})Ly + \tilde A_{21}y + \tilde B_2 u - L\tilde A_{11}y - L\tilde B_1 u \\ \end{aligned} \]

And we have: \(\hat{\tilde x}_v = w + Ly\),

\[ \hat x = T^{-1} \hat{\tilde x}_v = T^{-1} \begin{bmatrix} y\\ \hat{\tilde x}_v \end{bmatrix} \]

Example

\[ \left\{\begin{aligned} &\dot x_1 = x_2 \\ &\dot x_2 = u \\ &y = x_1 \end{aligned}\right. \]
  • \(A = \begin{bmatrix} 0&1\\0&0 \end{bmatrix}\), \(B = \begin{bmatrix} 0\\1 \end{bmatrix}\), \(C = \begin{bmatrix} 1&0 \end{bmatrix}\)
  • \((A,C)\) is observable

let \(z = \dot y\), We have \(\left\{\begin{aligned} &\dot y = x_2 \\ &\dot x_2 = u \\ &z = x_2 \end{aligned}\right.\),

from these equations:

\[ \begin{aligned} \dot {\hat x}_2 &= u + L(z - \hat x_2) \\ &= u + L(\dot y - \hat x_2) \end{aligned} \]

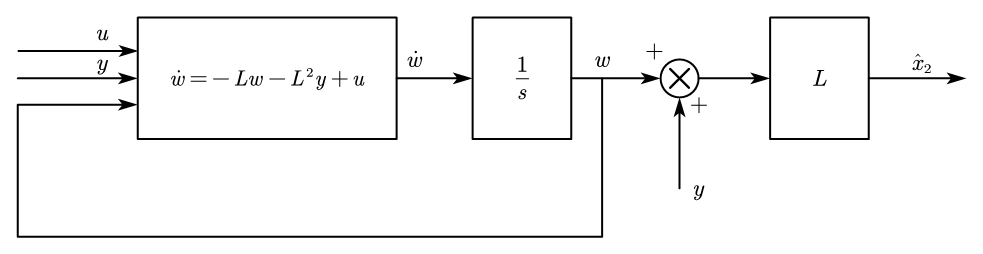
let \(w = \hat x_2 - Ly\),

\[ \begin{aligned} \dot w &= \dot{\hat x}_2 - L\dot y \\ &= u - L\hat x_2 \\ &= -L(\hat x_2 - Ly) - L^2y + u \\ &= -Lw - L^2y + u \end{aligned} \]

And because there have: \(\hat x_2 = w + Ly\), we can draw the block diagram:

Thus all the states could be obtained: \(\hat x = \begin{bmatrix} y \\ \hat x_2 \end{bmatrix}\)

4. Pole placement and State Observer in Discrete Time Systems

Given the discrete time system with state space equation:

\[ \begin{aligned} x(k+1) &= Ax(k) + Bu(k) \\ y(k) &= Cx(k) + Du(k) \end{aligned} \]

Assume all the states can be observed directly, thus:

  • \(y(k) = x(k)\)

And we can design the state feedback controller for the system,

\[ u = -Kx(k) + \gamma(k) \]

Apply the controller to the system, we can get the closed loop function:

\[ x(k+1) = \underbrace{(A-BK)}_{\bar A_{cl}}x(k) + B\gamma(k) \]

To make sure the controller is feasible, it should meet the condition:

  • \((A, B)\) is reachable

When designing the eigenvalues, we need to consider the stability regions of the system


Since not all the state could be obtained directly, for estimating the state, there have following methods:

  • Predictor: use the info up to \(K\) to estimate \(x(k+1)\)
  • Filter: use the info up to \(K\) to estimate \(x(k)\)

4.1 Predictor

We can design a state estimator with predicted states:

\[ \hat x(k+1|k) = A\hat x(k|k-1) + Bu(k) + L(y(k) - C\hat x(k|k-1) - Du(k)) \]

And the estimation error is:

\[ \begin{aligned} e(k) &= x(k) - \hat x(k|k-1) \\ e(k+1) &= (A-LC)e(k) \end{aligned} \]

To make the observer design feasible,

  • \((A, C)\) must be observable

If all the eigenvalues of \(A-LC\) are set to 0, then you get a deadbeat observer (for the finite number of \(x\), the estimation error goes to \(0\))

Example

\[ \bar A = \mathbf 0_{3\times 3} \]
\[ \begin{aligned} e(k+1) &= \bar Ae(k) = 0 \end{aligned} \]

4.2 Filter

We can design a state estimator with current states:

\[ \hat x(k+1|k+1) = A\hat x(k|k) + Bu(k) + L(y(k+1) - C(A\hat x(k|k) + Bu(k)) - Du(k+1)) \]

And the estimation error is:

\[ \begin{aligned} e(k+1|k+1) &= x(k+1) - \hat x(k+1|k+1) \\ &= (A-L\underbrace{CA}_{\tilde C})e(k|k) \end{aligned} \]

To make the observer design feasible,

  • \((A, \tilde C)\) must be observable

Info

Proof:

\[ \tilde M_o = \begin{bmatrix} \tilde C \\ \tilde CA \\ \vdots \\ \tilde CA^{n-1} \end{bmatrix} = \begin{bmatrix} \tilde CA \\ \tilde CA^2 \\ \vdots \\ \tilde CA^{n} \end{bmatrix} = M_o A \]

This is observable when \(A\) is non singular and \((A, C)\) is observable

If \(A\) is singular, \((A, \tilde C)\) is not observable even if \((A,C)\) is observable and \(\lambda = 0\) is in the unobservable part.

Example

For a system:

\[ \begin{aligned} x(k+1) &= Ax(k) \\ z(k) &= CAx(k) \end{aligned} \]
  • \(x(0) = v\), \(v\) is the eigenvector assume to \(\lambda = 0\)
  • \(x(1) = Av = \lambda v = 0\)
  • \(x(k) = 0\), \(k\geq 1\)
  • \(z(0) = CAV = 0\)
  • \(z(k) = 0\), \(k \geq 0\)

4.3 Regulator Transfer Matrix

For the discrete time system:

\[ \begin{aligned} x(k+1) &= Ax(k) + Bu(k) \\ y(k) &= Cx(k) \end{aligned} \]

Within the predictor:

\[ \hat x(k+1|k) = A\hat x(k|k-1) + Bu(k) + L(y(k) - C\hat x(k|k-1) - Du(k)) \]

And control law:

\[ u(k) = -Kx(k|k-1) \]

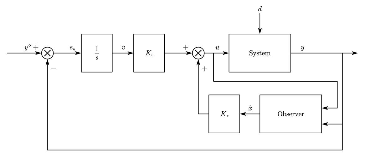
We can draw the system schematics:

And we can ge the expression for \(R(z)\):

\[ U(z) = -\underbrace{K(zI - A + BK + LC)^{-1}L}_{R(z)} Y(z) \]
  • \(R(z)\) is strictly proper

Within the Filter Design:

\[ \hat x(k+1|k+1) = A\hat x(k|k) + Bu(k) + L(y(k+1) - C(A\hat x(k|k) + Bu(k)) - Du(k+1)) \]

The expression of \(R(z)\) becomes:

\[ U(z) = - \underbrace{K(zI - A+BK+LCA-LCBK)^{-1}Lz}_{R(z)} Y(z) \]
  • \(R(z)\) is proper

Example

Consider a strict proper case for the SISO system:

\[ \begin{aligned} R(z) &= \frac{b_{n-1}z^{n-1} + b_{n-2}z^{n-2} + \dots + b_{1}z + b_0}{z^n + a_{n-1}z^{n-1} + \dots + a_{1}z + a_0} \\ &= \frac{(b_{n-1}z^{n-1} + b_{n-2}z^{n-2} + \dots + b_{1}z + b_0)z^{-n}}{(z^n + a_{n-1}z^{n-1} + \dots + a_{1}z + a_0)z^{-n}} \\ &= \frac{b_{n-1}z^{-1} + b_{-2}z^{n-2} + \dots + b_0z^{-n}}{1 + a_{n-1}z^{-1} + \dots + a_0z^{-n}} \\ \end{aligned} \]

We can let \(V(z) = R(z) Y(z)\),

\[ (1 + a_{n-1}z^{-1} + \dots + a_0z^{-n})V(z) = (b_{n-1}z^{-1} + b_{-2}z^{n-2} + \dots + b_0z^{-n}) Y(z) \]

Do the inverse z-transform, we can get:

\[ v(k) = -a_{n-1}v(k-1) - \dots - a_0 v(k-n) + b_{n-1}y(k-1) + \dots + b_0 y(k-n) \]

Example

And we consider the proper case for the SISO system:

\[ \begin{aligned} R(z) &= \frac{b_{n}z^{n} + b_{n-1}z^{n-1} + b_{n-2}z^{n-2} + \dots + b_{1}z + b_0}{z^n + a_{n-1}z^{n-1} + \dots + a_{1}z + a_0} \\ &= \frac{(b_{n}z^{n} + b_{n-1}z^{n-1} + b_{n-2}z^{n-2} + \dots + b_{1}z + b_0)z^{-n}}{(z^n + a_{n-1}z^{n-1} + \dots + a_{1}z + a_0)z^{-n}} \\ &= \frac{b_{n} + b_{n-1}z^{-1} + b_{-2}z^{n-2} + \dots + b_0z^{-n}}{1 + a_{n-1}z^{-1} + \dots + a_0z^{-n}} \\ \end{aligned} \]

We can let \(V(z) = R(z) Y(z)\),

\[ (1 + a_{n-1}z^{-1} + \dots + a_0z^{-n})V(z) = (b_{n}z^{n} + b_{n-1}z^{-1} + b_{-2}z^{n-2} + \dots + b_0z^{-n}) Y(z) \]

Do the inverse z-transform, we can get:

\[ v(k) = -a_{n-1}v(k-1) - \dots - a_0 v(k-n) + b_{n}y(k) + b_{n-1}y(k-1) + \dots + b_0 y(k-n) \]

This case use the instant data from \(y(k)\), which does not provide time for calculation

4.4 Estimate of Constant Disturbance via Observer

Consider the discrete time system with constant disturbance:

\[ \begin{aligned} x(k+1) &= Ax(k) + Bu(k) + Md(k)\\ y(k) &= Cx(k) + Du(k) + Nd(k) \end{aligned} \]

We can write the equation with extended form:

\[ \begin{aligned} \begin{bmatrix} x(k+1) \\ d(k+1) \end{bmatrix} &= \underbrace{\begin{bmatrix} A&M \\ 0&I \end{bmatrix}}_{\bar A} \begin{bmatrix} x(k) \\ d(k) \end{bmatrix} + \underbrace{\begin{bmatrix} B \\ 0 \end{bmatrix} u(k)}_{\bar B} \\ y(t) &= \underbrace{\begin{bmatrix} C&N \end{bmatrix}}_{\bar C} \begin{bmatrix} x(k) \\ d(k) \end{bmatrix} + Du(k) \end{aligned} \]

It should satisfy that \((\bar A, \bar C)\) is observable, which is equivalent to:

  • \((A, C)\) is observable
  • \(r \leq p\)
  • No invariant zeros in \(z = 1\) in the transfer matrix of \(d \to y\)

5. Discrete Time RO

Given the discrete time system:

\[ \begin{aligned} x(k+1) &= Ax(k) + Bu(k) \\ y(k) &= Cx(k) \end{aligned} \]

We can transform it into canonical form:

\[ \tilde x = \underbrace{\begin{bmatrix} C \\ T_1 \end{bmatrix}}_T x = \begin{bmatrix} y \\ \tilde x_v \end{bmatrix} \]

And there have \(z(k) = Cx(k) = y(k) - Du(k)\)

  • \((A, C)\) should be observable
\[ \begin{aligned} y(k+1) &= \tilde A_{11}y(k) + \tilde A_{12} \tilde x_v(k) + \tilde B_1 u(k) \\ \tilde x_v(k+1) &= \tilde A_{21}y(k) + \tilde A_{22} \tilde x_v(k) + \tilde B_2 u(k) \end{aligned} \]
  • \(\tilde A = TAT^{-1} = \begin{bmatrix} \tilde A_{11}&\tilde A_{12} \\ \tilde A_{21}&\tilde A_{22} \end{bmatrix}\), \(\tilde B = TB = \begin{bmatrix} \tilde B_1 \\ \tilde B_2 \end{bmatrix}\)

And,

  • \(z(k+1) = y(k+1) - \tilde A_{11}y(k) - \tilde B_1 u = \tilde A_{12} \tilde x_v(k)\)
  • \(\eta(k) = \tilde A_{21}y(k) + \tilde B_2 u\)
  • \(\tilde x_v(k) = \tilde A_{22} \tilde x_v(k) + \eta(k)\)

For the filter design, there have:

\[ \hat{\tilde x}_v(k+1|k+1) = \tilde A_{22} \tilde x_v(k|k) + \eta(k) + L(z(k+1) - \tilde A_{12} \tilde x_v(k|k)) \]

We know that \(\tilde x = Tx\), The full state could be expressed as:

\[ \hat x(k+1|k+1) = T^{-1}\begin{bmatrix} y(k+1) \\ \tilde x_v(k+1|k+1) \end{bmatrix} \]

Comments